

英国RDP Electronics社は40有余年にわたる経験とISO 9001:2000品質管理システムに裏打ちされた高精度、高品質の
LVDT(Liner Variable Differential Transformer)式変位計、専用コンディショナ及び指示計を提供しています。
多様な計測目的・使用環境に最適な変位計を、豊富な製品群からお選びください。
| タイプ | 製品名 | 型式名 | 測定ストローク (mm) |
励磁電源 | アーマチュア 保持機構 |
ケーブル 引き出し |
非直線性 (%FS) |
使用温度範囲 (℃) |
その他 | 専用測定器 |
|---|---|---|---|---|---|---|---|---|---|---|
| 高精度 | 高精度基準 変位計 GTシリーズ |
GT500~ 5000 |
±0.5、±1.0 ±2.5、±5.0 |
0.5~7.0VAC 2.0~10.0kHz (5.0V, 5.0kHzで校正) |
スプリング内蔵 スピンドルタイプ | 水平方向直出し | ±0.25%以下 (オプションで±0.1% ;但し±1.0mm以上) |
-40 ~ +100 |
内部に高精密ベアリング機構を採用、高精度・高再現性を実現 | S7AC, S7M, S7TW, E309 E725-105-AC-XX 621型アンプモジュール DR7/DINアンプ |
| GT500RA~ 5000RA |
垂直方向直出し | |||||||||
| GT1000P~ 5000P |
±1.0、±2.5 ±5.0 |
エアプッシュ式 | 水平方向直出し | |||||||
| ミニチュア | ミニチュア 変位計 D5&D6シリーズ 詳細 ▼ |
D5/xxK、 D5/xxHK |
±0.65 ~ ±12.5 |
0.5~7.0VAC 2.0~10.0kHz (5.0V, 5.0kHzで校正) |
フリーアーマチュアタイプ | ピン直出し 水平方向直出し 垂直方向直出し |
±0.5%以下 (オプションで±0.25% または±0.1%) |
-20 ~ +125 |
小型・軽量 オプションで 耐放射線100Mrad可 |
|
| D6/xxU、 D6/xxURA |
||||||||||
| D5/xxAG、 D5/xxAGRA |
±0.25 ~ ±12.5 |
スプリング内蔵 スピンドルタイプ |
||||||||
| D6/xxA、 D6/xxARA |
||||||||||
| 長 ストローク |
長ストローク 変位計 ACTシリーズ 詳細 ▼ |
ACT/xxx | ±25 ~ ±200 |
0.5~7.0VAC 2.0~10.0kHz (5.0V, 5.0kHzで校正) |
フリーアーマチュアタイプ | 垂直方向直出し | ±0.5%以下 (オプションで±0.25% または±0.1%) |
-50 ~ +125 |
オプション: 高温用200℃ 耐放射線100Mrad |
|
| ACT/xxxC | ±25 ~ ±470 |
アーマチュアガイドベアリング | ||||||||
| ACT/xxxA | ±12.5 ~ ±75 |
スプリング内蔵 | ||||||||
| アンプ内蔵 | アンプ内蔵 高出力変位計 DCTHシリーズ (4~20mAオプション) 詳細 ▼ |
DCTH/xxx | ±2.5 ~ ±200 |
±12.0 ~ ±20.0VDC (dual)30mA 24.0 ~ 40.0VDC (single)30mA |
フリーアーマチュアタイプ | ±10.0mm以下水平 ±12.0mm以上垂直 |
±0.5%以下 (オプションで±0.25% または±0.1%) |
-50 ~ +80 (電圧出力) -10 ~ +70 (電流出力/オプション) |
標準出力1: -5 ~ 0 ~ +5V 標準出力2:0 ~+10V オプション:4~20mA (電源12~36VDC) |
|
| DCTH/xxxA (G) |
±2.5 ~ ±75 |
スプリング内蔵 | ||||||||
| DCTH/xxxC | ±12.5 ~ ±470 |
アーマチュアガイドベアリング | 垂直方向直出し | |||||||
| アンプ内蔵型 変位計 LDCシリーズ |
LDC/xxx | ±12.5 ~ ±200 |
5.0 ~ 18.0VDC 100mA |
フリーアーマチュアタイプ | 垂直方向直出し | ±0.5%以下 (オプションで±0.25% または±0.1%) |
-50 ~ +70 |
電圧出力:±2.2V | ||
| LDC/xxxC | ±12.5 ~ ±470 |
アーマチュアガイドベアリング | ||||||||
| LDC/xxxA | ±12.5 ~ ±75 |
スプリング内蔵 | ||||||||
| 防水 | 小型防水型 変位計 D5Wシリーズ 詳細 ▼ |
D5/xxW、 D5/xxWRA |
±1.0 ~ ±12.5 |
0.5~7.0VAC 2.0~10.0kHz (5.0V, 5.0kHzで校正) |
フリーアーマチュアタイプ | 水平/垂直出し(選択) | ±0.5%以下 (オプションで±0.25% または±0.1%) |
-20 ~ +125 |
標準: スリーブ付 2mケーブル (耐水圧3MPa) |
専用測定器 GTシリーズと同じ |
| D5/xxAW、 D5/xxAWR |
スプリング内蔵 | |||||||||
| 長ストローク 防水型変位計 ACWシリーズ 詳細 ▼ |
ACW/xxx | ±12.5 ~ ±200 |
0.5~7.0VAC 2.0~10.0kHz (5.0V, 5.0kHzで校正) |
フリーアーマチュアタイプ | 水平方向 コネクタ出し (オプション多数) |
±0.5%以下 (オプションで±0.25% または±0.1%) |
-25 ~ +90 (標準) -40 ~ +125 (ケーブル出しオプション) |
標準ケーブル出し 耐水圧:1MPa オプション Max.21MPa |
専用測定器 GTシリーズと同じ |
|
| ACW/xxxB | ±12.5 ~ ±470 |
アーマチュアガイドベアリング | ||||||||
| ACW/xxxA | ±12.5 ~ ±75 |
スプリング内蔵 | ||||||||
| アンプ内蔵 防水型変位計 DCWシリーズ (4~20mAオプション) 詳細 ▼ |
DCW/xxx | ±12.5 ~ ±200 |
±12.0 ~ ±20.0VDC (dual)30mA 24.0 ~ 40.0VDC (single)30mA |
フリーアーマチュアタイプ | 水平方向 コネクタ出し (オプション多数) |
±0.5%以下 (オプションで±0.25% または±0.1%) |
-50 ~ +80 (電圧出力) -10 ~ +70 (電流出力/オプション) |
標準出力1: -5 ~ 0 ~ +5V オプション: 4~20mA(電源12~36VDC) 耐水圧はACWシリーズと同じ |
||
| DCW/xxxB | ±12.5 ~ ±470 |
アーマチュアガイドベアリング | ||||||||
| DCW/xxxA | ±12.5 ~ ±75 |
スプリング内蔵 | ||||||||
| 耐海水圧 変位計 SSAシリーズ |
SSA/xxx | ±12.5 ~ ±100 |
1.0~7.0VAC 1.0~5.0kHz (5.0V, 5.0kHzで校正) |
フリーアーマチュアタイプ | 垂直方向直出し | ±0.5%以下 (±25mmは±1.0%) |
-40 ~ +60 |
Max.23MPa | 専用測定器 GTシリーズと同じ |
|
| 耐熱 | 高温環境用 変位計 LINシリーズ 詳細 ▼ |
LIN/xxx | ±5.0、±15.0 ±25.0 |
0.5~5.0VAC 2.4~9.6kHz |
フリーアーマチュアタイプ | 水平方向直出し | 使用温度により ±0.5%と±1.0% の2種を用意 |
-220 ~ +220 -220 ~ +600 (2種を用意) |
耐放射線、耐熱、耐水圧に優れている | 専用測定器 GTシリーズと同じ (除く:S7TW) |
| LIN/xxxA | スプリング内蔵 | -220 ~ +220 -220 ~ +350 (2種を用意) |
||||||||
| 非接触 | 非接触型 ギャップセンサ PYシリーズ |
PY/xxx | Max.gap 1.5, 3.0, 6.0 |
2.4 ~ 9.6kHz 615型専用アンプ使用 |
非接触ギャップセンサ | 水平方向直出し | 出力は非直線的 | -220 ~ +220 -220 ~ +600 (2種を用意) |
耐放射線、耐熱、耐水圧に優れている | 専用シグナルコンディショナ615型を使用 |
| PY/xxxC | ||||||||||
| ワイヤ引出 | ワイヤ引出式 変位計 DWTシリーズ |
DWT-10 | ストローク : 600, 1000, 1500, 2000, 2500, 3500 |
DC電源 出力形態による |
スプリングリールテンション | 水平方向直出し | ±0.2% | -15 ~ +50 |
LCD表示器付き 電流または電圧出力 LCD表示器なし 電流または電圧出力 ポテンションメータ(500Ω) 出力から選択 |
|
| DWT-20 | ||||||||||
小型アルミダイキャストボディに変位計駆動電源、コンディショナ、増幅器を内蔵。
電圧/電流出力を選択します。
| 型式 | S7AC | S7TW | S7M | |
|---|---|---|---|---|
| 外観 | ![]() |
![]() |
![]() |
|
| 主電源 | DC12 ~ 36V | AC115V, 50/60Hz | ||
| 変位計励起電圧 | 1V, 5kHz | 0.5V, 5kHz | 5V, 5kHz | |
| 出力 | ±4 ~ ±10V/ 4 ~ 20mA | 4 ~ 20mA | ±10V/ 4 ~ 20mA | |
![]() |
A | 98 | 125 | 220 |
| B | 86 | 113 | 204 | |
| C | 64 | 80 | 120 | |
| D | 36 | 52 | 82 | |
| E | 36 | 57 | 81 | |
| F | 4 | 4 | 6 | |
多チャネルシステム用にシグナルコンディショナユニットの他に多チャネル収納用ラック、電源ユニット、デジタル表示ユニット、シリアルI/F&データロガーユニットを用意しています。
差動トランス式変位計と1対1で組み合わせ、変位量をデジタル表示器で直読、上下限接点付。
| 型式 | E309 | |
|---|---|---|
| 主電源 | AC120V, 50/60Hz | |
| 変位計励起電圧 | 5V, 5kHz | |
| 出力 | ±10V/ 4 ~ 20mA | |
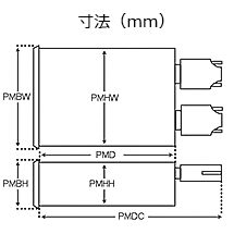
![]() |
PMHW | 139 |
| PMHH | 67 | |
| PMBW | 144 | |
| PMBH | 72 | |
| PMD | 185 | |
| PMDC | 245 | |
| パネルカット寸法 | 139 × 67 | |
デジタル表示とアナログ出力付。
シリアルアウトプットRS-232付(オプションでRS-485可)。
オートゼロ、最大値・最小値保持機能付。
| 型式 | E725 | |
|---|---|---|
![]() |
PMHW | 92 |
| PMHH | 44 | |
| PMBW | 96.5 | |
| PMBH | 48.5 | |
| PMD | 124 | |
| PMDC | 174 | |
| パネルカット寸法 | 93 × 45 | |